|
|
产品中心 |
|
|
80SW系列 |
|
|
|
无刷直流电机 通用规范
|
Winding type |
Delta |
|
Hall effect angle |
120 degree electrical angle |
|
Shaft run out |
0.025mm |
|
Radial play |
0.025mm@460g |
|
End play |
0.025mm@4000g |
|
Max.radial force |
75N@20mm from the flange |
|
Max.axial force |
15N |
|
Insulation class |
Class B |
|
Dielectric strength |
500VDC for one minute |
|
Insulation resistance |
100MΩMin.,500VDC | |
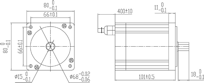
规格介绍

规格参数
|
Part Number |
Voltage |
No load Current |
No load Speed |
Torque |
Rated Current |
Rated Speed |
Torque (MAX) |
Torque Constant |
Rotor Inertia |
Weight |
Length |
|
Units |
VDC |
A |
RPM |
Nm |
A |
RPM |
Nm |
Nm/A |
Kgmm2 |
Kg |
mm |
|
80SW01 |
48 |
0.5 |
3300 |
0.5 |
4.1 |
3000 |
1.5 |
0.12 |
0.86 |
1.35 |
101 |
|
80SW02 |
48 |
1 |
3500 |
1 |
8.5 |
3000 |
3.0 |
0.12 |
0.12 |
2 |
131 |
|
80SW03 |
310 |
0.1 |
3300 |
0.5 |
4.1 |
3000 |
1.5 |
0.4 |
0.86 |
1.35 |
101 |
|
80SW04 |
310 |
0.2 |
3500 |
1 |
8.5 |
3000 |
3.0 |
0.4 |
1.12 |
2 |
131 | |
|
|
|